
一、試驗接線
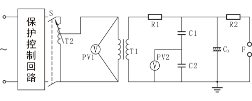
圖1-1示出了交流耐壓試驗常用的原理接線圖。實際的試驗接線應根據被試品的要求和現場設備的具體條件來確定。

圖1-1 交流耐壓試驗原理圖
T1—試驗變壓器 T2—調壓器 R1、R2保護電阻器
F—球隙 S—開關 Cx—被試品 C1、C2—分壓電容器
根據圖1-1,可以把交流耐壓試驗接線分為五個部分:交流電源部分、調壓部分、控制保護部分、電壓測量部分和波形改善部分。
二、試驗設備
1.交流電源部分
交流耐壓試驗電源多為220、380V和6、10kV交流電源,一般小容量被試品交流耐壓試驗多采用220、380V試驗電源,對試驗電源電壓波形要求較高時,多采用線電壓380V。大容量超高壓試驗變壓器多采用6~10kV移圈式調壓器進行調壓,故需6~10kV試驗電源。試驗電源一般從系統中抽取。
2.調壓部分
對調壓器的基本要求是電壓應能從零開始平滑的進行調節,以滿足試驗所需的任意電壓,并且在調節過程中電壓波形不發生畸變。常用的調壓器有自耦調壓器、移圈式調壓器和感應式調壓器。調壓器的輸出波形應盡可能接近正弦波,調壓器的容量通常要求與試驗變壓器容量相同。
①自耦調壓器
采用自耦調壓器時是現場常用的一種簡單的調壓方式。自耦調壓器具有體積小、重量輕、效率高、可以平滑地調壓、輸出波形好、功耗小等優點。由于自耦調壓器試移動碳刷接觸調壓,所以容量受到限制,單臺容量可作到30kVA,一般用于電壓50kV以下小容量試驗變壓器的調壓。
②移圈式調壓器
移圈式調壓器原理接線及結構示意圖如圖1-2所示。

圖1-2 移圈式調壓器原理接線結構圖
(a)原理接線圖 (b)結構圖
它是通過一個可以活動的繞組L3來調節電壓的。其結構特點是:在鐵芯的上、下部各套著繞組L1、L2,兩者匝數相等,繞向相反,互相串聯。在這兩個繞組外面還套著一個可沿鐵芯上下移動的短路線繞組L3。改變短路繞組L3與反串聯的L1、L2兩繞組之間的相對位置,就改變了兩繞組的阻抗和電壓分配,即改變了輸出電壓u2.它調節電壓的原理是:在AX端加電源電壓u1后,電流i在上、下部鐵芯中產生方向相反的磁通Ф1和Ф2,它們分別通過非導磁材料各自構成閉合回路,如圖1-2(b)所示。當轉動把手,使短路繞組L3移至鐵芯下端時,Ф2和L3交接,在L3內感應的電流產生和Ф2相反的磁通Ф3,其大小與Ф1等,所以交鏈L1的磁通為零,即電壓為零,全部電壓都加在L2上,則輸出電壓等于全電壓u1。當繞阻L3移至鐵芯中間位置時,Ф1和Ф2與L3的交鏈情況相同,但在L3中產生的感應電動勢方向相反,互相抵消,使繞組L3無感應電流,則電壓u1在L1和L2兩個繞組上各占一半,輸出電壓大小等于外電壓u1的一半,即U2=1/2×U1。所以,當線圈式調壓器通過移動繞組L3由下端向上移動時,輸出電壓由零逐漸增大為U1。
移動繞組L3可以制成手動或電動式。移圈式調壓器沒有滑動觸頭,因此容量能造的較大。目前國內可以生產的電壓10kV,容量2500kVA的移圈式調壓器,他它的體積較大。由于它的主磁通量Ф1和Ф2要經過一段非導磁材料(空氣或變壓器油),磁阻較大,因此激磁電流相當大,漏抗也很大,但其鐵芯卻不易飽和,這兩方面對工頻電壓輸出的波形具有一定影響。鐵芯不易飽和使輸出波形畸變的因素減弱;而漏抗很大將促使波形發生畸變。因此移圈式調壓器效率低,空載電流大,在低電壓和接近額定電壓下使用,波形易發生畸變。
為了改善試驗電壓的波形,在使用移圈式調壓器調壓時,應在調壓器輸出端或變壓器低壓側裝設濾波器,如圖1-3所示。

圖1-3 濾波回路圖
L、C—濾波用電感、電容 U1、U2—試驗變壓器的輸入與輸出電壓值
電容C一般選6~10μF.根據需要濾掉的諧波頻率f按下式計算出L的數值
f=10-3/[2π√(LC)]
式中f——需要濾掉的諧波頻率,Hz;
C——電容,一般取6~10μF;
L——電感,mH
當移圈式調壓器調壓時,其容量一般應大于或等于試驗變壓器的容量,必要時,可允許過負荷25%。
移圈式調壓器在高壓試驗室及現場應用很廣,它是100kV以上試驗變壓器常用的配套調壓裝置。
③高壓試驗變壓器
用于高壓試驗的特制變壓器,稱為高壓試驗變壓器。它與電力變壓器相比較,具有容量不很大、額定電壓高,允許持續工作時間短,多工作在電容性負荷下、經常要放電、通常高端繞組一端接地、不需要附加散熱裝置、體積較小等特點。
(1)試驗變壓器電壓、電流及容量的選擇。試驗時應根據被試設備的電容量和試驗使得最高電壓來選擇試驗變壓器。其額定電壓不應低于被試品所施加的最高電壓,同時試驗變壓器低壓側電壓應和試驗現場的電源電壓及調壓器電壓相配套。
因為被試品大多為電容性的,由被試設備的電容量可以計算出試驗中通過試驗變壓器高壓繞組的電流IT(主要是電容電流)。其計算式為
IT=ωCxUexp×10-6,mA (1-1)
式中Cx——被試品電容量(見表1-1),pF;
Uexp——給被試品施加的試驗電壓(有效值),kV
ω——所施加電壓的角頻率。
選擇試驗變壓器時,應使高壓繞組的額定電流不低于是(1-1)的計算值。
|
試品名稱
|
電容值
|
|
試品名稱
|
電容值
|
|
線路絕緣子
|
<50pF
|
|
電容式電壓互感器
|
3000~15000pF
|
|
高壓套管
|
50~600pF
|
|
電力變壓器
|
1000~15000pF
|
|
高壓斷路器、互感器
|
50~1000pF
|
|
電力電纜
|
150~00pF/m
|
所需試驗變壓器的容量ST=ωCxU2exp×10-6,kVA (1-2)
式中Uexp——被試品所加的試驗電壓(有效值),kV;
Cx——被試品的點容量(見表1-1)pF;
ω——所加電壓角頻率。
應當指出,選擇的試驗變壓器容量應盡可能大于式(1-2)的計算結果。這是因為試驗線路、試驗設備本身對地存在雜散電容,使得估算的試驗電流小于實際值的緣故。
有時在試驗大電容被試品時試驗變壓器容量不夠,采用補償的方法來減小流經變壓器高壓繞組的電流,以滿足試驗對變壓器容量的要求。如采用高壓電抗器與被試品并聯,使流過電抗器的感性電流與流過被試品的容性電流相補償,可減小流過試驗變壓器的電流,從而減小試驗變壓器的所需容量。這時變壓器的容量可按下式計算
ST=[ωCx×10-12-(1/ωL)]U2exp×103,kVA (1-3)
式中 L——補償線圈電感,H。
其它符號說明同式(1-2)。
從式(1-3)可看出,采用補償后,試驗變壓器的容量大大減小了。目前常用串聯諧振裝置(電感與被試品串聯)來滿足大容量被試品的試驗要求。
順便提及,國內外也正在發展采用低頻(2Hz)和超低頻(0.1Hz)的耐壓試驗方法。
(2)串級式試驗變壓器。試驗現場時,有時需要較高的試驗電壓,而單臺試驗變壓器的電壓不會做得太高。由于經濟技術方面的原因(費用、絕緣、運輸),常采用幾個變壓器串聯的辦法來提高試電電壓。圖1-4示出了目前最常用的一種串接方式。圖中繞組L1為低壓繞組,L2為高壓繞組,L3為供給下一級勵磁用的串級勵磁繞組。第一臺試驗變壓器的高壓繞組L2的一端接地,另一端串聯一繞組L3,供給第二臺變壓器低壓繞組勵磁,第二臺變壓器的L1和L2各有一端和變壓器的外殼相連,它們都處于第一臺高壓端的對地電壓,即為U2,因此第二臺變壓器的外殼必須對地絕緣起來。第二臺變壓器高壓端的對地電壓就是兩臺變壓器高壓端輸出地電壓之和,即為2U2。顯然,第三臺變壓器的外殼電位為2U2,其高壓端對地電位為3U2,即通過三臺變壓器串聯,可以獲得3倍于單臺試驗變壓器額定電壓的試驗電壓。

圖1-4 由單臺高壓試驗變壓器組成的串級式試驗變壓器示意圖
值得一提的是,串級式試驗變壓器的試驗輸出額定容量不等于裝置總容量。對圖1-4所示的三臺變壓器串接組成的串級式試驗變壓器來講,若該裝置輸出的額定試驗容量Sexp=3U2I2,則最高一級變壓器T3的高壓側繞組額定電壓U2,額定電流為I2,裝置的額定電容量為U2I2。變壓器T2的額定電容量為2U2I2。這是因為這臺變壓器除了要直接供應負載U2I2的容量外,還得供給最高一級變壓器T3的勵磁容量U2I2。同理,最下面一臺變壓器T1應具有的額定電容量為3U2I2。所以每臺變壓器的容量是不同的。串級式試驗變壓器整套設備的總容量為各變壓器容量之和。即
S∑=3U2I2+2U2I2+U2I2=6U2I2
所以可用的試驗容量Sexp與裝置總容量S∑之比即試驗裝置的利用率,即
η=Sexp/S∑×100%=(3U2I2)/(6U2I2)×100%=50%
對n臺變壓器串級使用時,其裝置利用率為
η=Sexp/S∑×100%
=nU2I2/[U2I2(1+2+3+...+n)]×100%
=nU2I2/{U2I2[n(n+1)/2]}×100%
=2/(n+1)×100%
即隨著串級級數的增加,裝置的利用率顯著降低。這是這類串級式試驗變壓器的一個缺點,一般串級的級數n≤3~4。