
交流耐壓試驗時,試驗電壓的準確測量時一項非常重要的環節。
試驗電壓的測量方法可概括分為兩類,即低壓側測量和高壓側測量。被試品電容量較小時,如油斷路器、瓷絕緣、絕緣用具等,試驗電壓可在低壓側測量,而當被試品的電容量較大及對電壓幅值及波形要求較高時,試驗電壓必須在高壓側測量。
一、低壓側測量
這種方法是在試驗變壓器的低壓側或測量繞組的端子上,用0.5級電壓表測量二次電壓,然后利用經過校核過的試驗變壓器變比,換算出高壓側的電壓。計算式為
U2=KU1
式中 U2——換算出的高壓側電壓,V;
U1——變壓器低壓側測得電壓或在測量繞組上測得電壓,V;
K——高壓繞組與低壓繞組或測量繞組之間的變化,可查銘牌或通過校核獲得。
這種測量方法簡便,但準確性不高。
二、高壓側測量
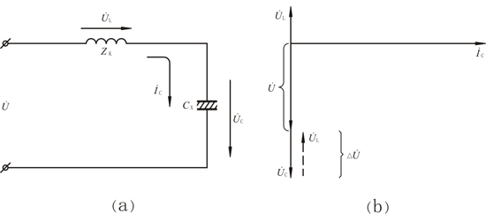
交流耐壓時易出現”容升現象“。工頻耐壓試驗等值電路及UC>U時的相量圖如圖1-1所示。

圖1-1 工頻耐壓時的等值電路及UC>U時的相量圖
(a)等值;(b)UC>U時的相量圖
ZK——試驗變壓器短路阻抗;CX——被試品電容;?——試驗變壓器的高壓側電壓
由圖(a)可知:?=?L﹢?C。由于?C與?L反相,其值UC=U﹢UL,使被試品CX上的電壓大于試驗變壓器輸出電壓U,如圖1-1(b)所示。令ΔU=U﹢UL。則ΔU=UC-U=UL,UL=ICZK。將IC=UC×2πfCX,ZK=ZN×ZK(%)=UN/IN×ZK(%)=U2N/SN×ZK(%)代入式中有
ΔU=UL=UC×2πfCX×(U2N/SN)×ZK(%) (1-1)
以上式中 Ic—在施加電壓下,通過被試品的電容電流;
ZK、ZK(%)—試驗變壓器的短路阻抗和短路阻抗的百分數;
CX—被試品電容;
UN、IN、SN、ZN—分別為試驗變壓器的額定電壓、額定電流 、額定容量、銘牌阻抗。
由式(1-1)可見,當試驗變壓器選定,被試品為電容性,且試驗電壓一定時,被試品電容量越大,則被試品上的UC較U升高愈多。這就是所謂的“容升現象”。對于大容量被試品,為避免“容升現象”試驗帶來的影響,在試驗時應盡量在高壓側直接測量以克服試驗電壓的測量誤差。
高壓側測量方法有以下幾種:
1.用電壓互感器測量
在試驗變壓器高壓側與被試品并聯一測量用電壓互感器,在電壓互感器低壓二次側接電壓表或示波器測量電壓,然后根據所測電壓值和電壓互感器的變比換算出高壓側電壓。一般用電壓互感器在0.5級以上。這種測量方法測量簡單,準確度高,但測量電壓不宜太高。測量電壓太高則要求電壓互感器的一次電壓高,使制造出的電壓互感器體積大,成本高,且不宜攜帶。
2.用靜電壓表測量
用靜電壓表可以方便地測量交流高壓的有效值。測量時,將靜電電壓表與被試品并接,可直接測量出被試品的高壓電壓。靜電電壓表的結構如圖1-2所示。

圖1-2 國產Q4-V型靜電電壓表結構圖
靜電電壓表能耐受的電壓由兩級間的距離及固定高電壓電極的絕緣蜘蛛表面的放電電壓決定。改變電極間距離,能改變策測量電壓范圍,所以頻率高達1MHz的電壓。
靜電電壓表兩極間有絕緣介質(空氣),電容量極小(10~30pF),因此阻抗較大,測量時幾乎不改變被試品上的電壓。該表還可以用來測量感應電壓表。
靜電電壓表的缺點是:額定電壓100V及以上的靜電電壓表的電極暴露在外面,無屏蔽密封措置,現場使用時受風、天氣、外界電磁場干擾影響較大,現場不宜使用,多用于試驗室內。
3.用球隙測量
在交流耐壓試驗時,球隙不僅可以作保護用,還可以作測量用。測量球隙由一對相同直徑的金屬球構成。
球隙測量高壓的原理是在一定大氣條件下,一定直徑的銅球,球隙間的放電電壓決定于球隙距離。因此可以用球隙來直接測量交流高壓、沖擊高壓的峰值。附錄四球隙放電標準表給出了不同球徑球隙的放電電壓與球隙距離的關系。
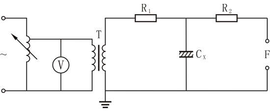
用球隙測量高壓時,只有當球隙放電時,才能從表中查得電壓。每次放電必須跳閘,放電時可能產生振蕩,也可能引起過電電壓,所以球隙測量電壓不太方便。現場及試驗實際使用時,常用球隙來校訂別的測量儀器的測量結果,即做校訂曲線。有了校訂曲線,就可以從儀表的指示讀數,隨時知道升壓過程中的電壓值。實際校訂時的接線圖如圖1-3所示。

圖1-3 用球隙來測定試驗變壓器校訂曲線的接線
F-球隙;CX-被試品
圖中R1是保護變壓器用的防振電阻,限制被試品或球隙擊穿時流過變壓器的短路電流。R2的作用有兩方面:一是限制球隙放電時流過球級的短路電流,以免燒傷球級;二、是阻尼試驗回路出現局部放電時連接電感與球隙電容和被試品電容等所產生的高頻振蕩。

圖1-4 試驗變壓器的校訂曲線
具體校訂過程如下:接上被試品,按圖1-3接線,電壓逐步提高,球隙距離逐級調大,在各種球隙距離下放電時,記下相應低壓側電壓表讀數,查表并經過一定的計算可求得每種球隙距離下的放電電壓。用該電壓和低壓側電壓表讀數繪出的曲線如1-4所示。這就是校訂曲線。實際上該曲線表明了在一定負載下試驗變壓器的一、二次電壓關系。做校訂曲線時的電壓要求低于或接近于試驗電壓,一般允許做到試驗電壓的80%,然后可用外推法,把曲線延伸到所需值,推算出試驗電壓時的低壓側電壓表讀數。把球隙距離調到相應試驗電壓值的1.1~1.2倍,作為保護間隙,然后推算出的低壓側電壓表讀數升壓即可。氣體間隙的放電電壓受大氣條件的影響,因而對現場測量結果應根據大氣條件進行校訂。校訂公式為
U=U0δ
δ=0.386[p/(273﹢t)]
式中 U0—標準條件下的放電電壓,kV;
U—試驗時大氣條件下球隙的放電電壓,kV;
p—試驗時的大氣壓力,mmHg(1mmHg=1.333224×102Pa);
t—環境溫度,℃。
球隙測量裝置結構簡單,容易自制,除用于測量外還可作保護電器,但球隙測量準確度不高,一般精度可達±3%,用于室外時受強氣流、灰塵等影響使得放電較分散,測量較費時間,所以不宜在現場使用。
4.電容分壓器測量
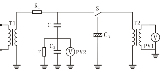
圖1-5示出了用電容分壓器測量交流高壓的接線圖。電容分壓器一般由高壓電容C1和低壓電容C2組成。

圖1-5 用電容分壓器測量高壓的接線圖
測量原理是:串聯電容器上電壓按電容值反比配,使被測電壓通過串聯的電容分壓器進行分壓,測出低電壓C2上的電壓U2,在用分壓比K算出被測電壓U1,即
U1=KU2,K=(C1﹢C2)/C1
實際測量時,由于電容分壓器的分壓比隨所加電壓和周圍環境的不同而有所變化,所以每次耐壓試驗時,都需與試驗變壓器空載時的變化進行比較,一確定試驗時分壓器低壓側電壓表的讀數,即校準分壓比。具體方法是,將電容分壓器與空載變壓器T2高壓側連接,逐漸升高試驗變壓器的輸電壓U1,同時對應每一個U1值記錄相應分壓器低壓電容上的電壓U2,得到若干組數據,,并將得到的這些數據做成校正曲線,如圖1-6所示。

圖1-6 分壓器校正曲線
試驗時接上試品,在校正曲線上找出所需加試驗電壓對應的U2的讀數,按U2升壓試驗。
圖1-5中的r用于在試驗中消除C2上的殘余電荷,使分壓器具有良好的升降特性,一般取r=(1/C2)~(1/C2),式中C2的單位為F,r單位為Ω。
圖中的電壓表PV2采用靜電電壓或高阻抗交流電壓表時可測得電壓有效值;用峰值電壓表可測得電壓峰值;采用示波器時,既可測出電壓峰值,又可能觀察電壓波形。
因為電容分壓器結構簡單,攜帶方便,準確度較高,所以用電容分壓器測量交流高壓是目前現場常用的方法。