
避雷器計數器校驗儀
避雷器計數器校驗儀是記錄避雷器在正常運行中受到雷擊次數統計的一個重要參數。它能為電力系統的工作人員提供有針對性對避雷器進行檢驗的重要依據。那么避雷器計數器校驗儀檢查方法及原理?
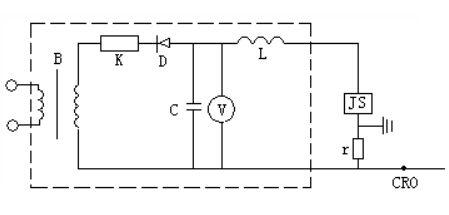
由于密封不良,動作記數器在運行中可能進入潮氣或水分,使內部元件銹蝕,導致記數器不能正常動作,所以《規程》規定,每年應檢查1次。現場檢查記數器動作的方法有直流法、交流法和標準沖擊電流法。研究表明,以標準沖擊電流法最為可靠,其原理接線如圖2所示。
圖2 標準沖擊電流檢測法的原理接線
(虛線框內為沖擊電流發生器)
C-充電電容;R-充電電阻;L-阻尼電感
D-整流硅二極管;r-分流器;B-試驗變壓器
V-靜電電壓表;CRO-高壓示波器
將沖擊電流發生器發生的8/20μs、100A的沖擊電流波作用于動作記數器,若記數器動作正常,則說明儀器良好,否則應解體檢修。例如某電業局曾用此法對27只記數器進行檢測,其中有3只不動作,解體發現內部元件受潮、損壞。
《規程》規定,連續測試3~5次,每次應正常動作,每次時間間隔不少于30s。測試后記錄器應調到0。